1971 Chevelle Wiper Wiring Diagram
1971 chevelle wiper motor wiring diagram. I am in need of chevelle wiring diagram.

1971 Wiper Wiring Mess CorvetteForum Chevrolet Corvette Forum Discussion
Yes, with a few simple tests you can tell if the problem is from the wiper motor, wiring or switches!
1971 chevelle wiper wiring diagram. The best diagrams i could find are at the link, 1972 is the same. Below you will find simple suggestions combined with a wiring Here we have chevrolet wiring diagrams and related pages.
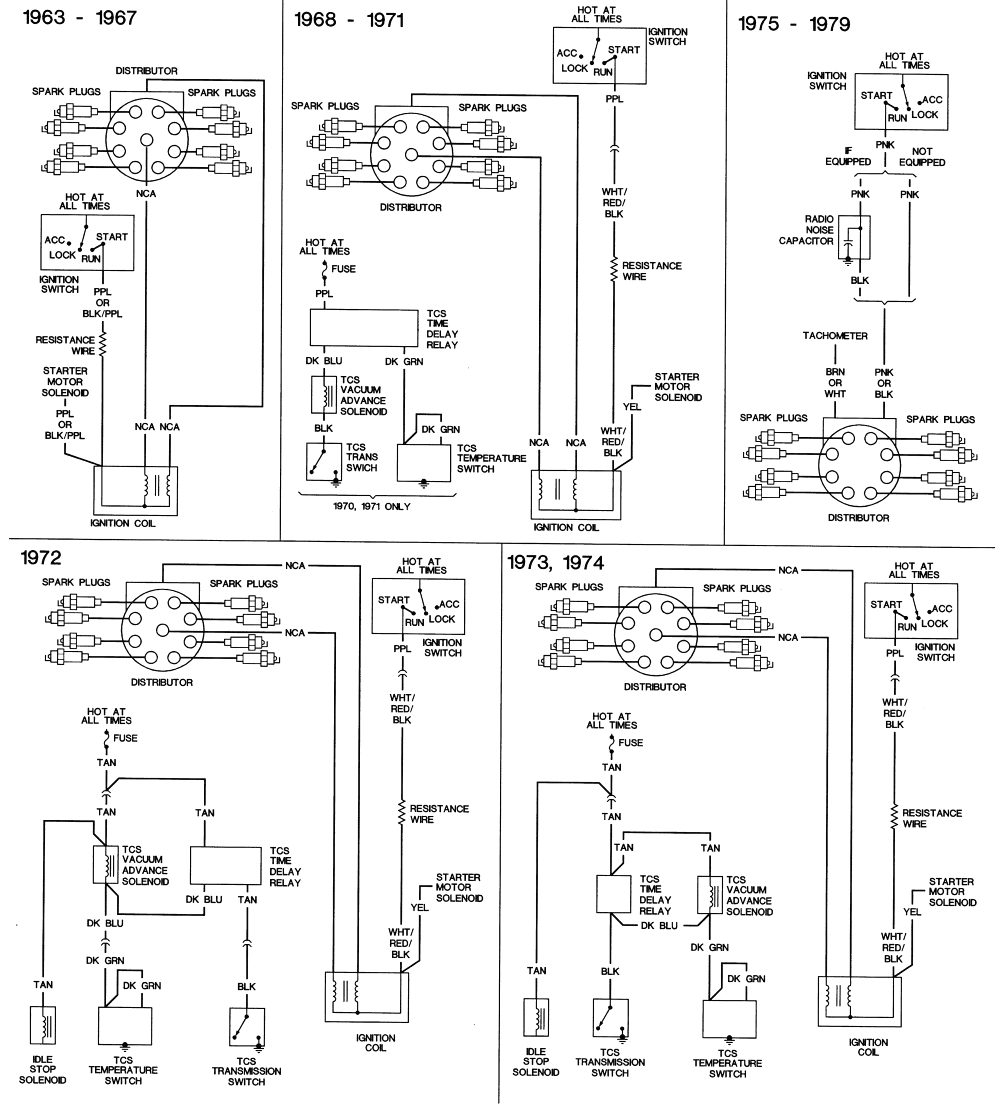
1971 chevelle engine wiring diagram. New printed wiring diagram to help wire your chevelle or el camino. This includes windshield wiper motors,.
Chevelle parts > chevelle literature > chevelle wiring manuals. 1972 chevelle ss wiring diagrams, connections and pictures. New printed wiring diagram to help wire your chevelle or el camino.
Browse for more products in the same category as this item: Read 4 way light switch with dimmer wiring diagram database. On 1971 chevelle engine wiring diagram.
1970 1971 1972 chevrolet chevy chevelle wiring harness kit. Chevelle wiring diagram product may vary from above listed image. Clicking this will make more experts see the question and we will remind you when it gets answered.
Is chevelle wiring diagram for all. Product may vary from above listed image. Figure a figure b 1965 impalla wiring diagram:
Hank 70 chevelle ss (), m20, my. Manual, wiring diagram, black and white, basic paper, 17 inch x 11 inch, format shows oe factory color coded wires as they are in the vehicle, easy to read. Read wiring diagrams from unfavorable to positive and redraw the signal like a straight collection.
There are a few simple test you perform to diagnose problems with your windshield wiper motor. With 40+ years in business, we guarantee the best expertise, highest quality products and fastest shipping/service! All of our harnesses are assembled in the usa using factory correct colors and gauges and are guaranteed to fit exactly as original.
The motor is from an 81 camaro and the green wire gives me a wiper delay feature. I think someone has changed the wires in the connectors at the wiper motor because the colors don't match to manual and don't match up with the switch. I have all of my wiring removed right now, but my notes show that the stock black w yellow striped wire (.
This diagram includes the entire wiring schematic of your chevelle from bumper to bumper. It shows the components of the circuit as simplified shapes, and the capacity and signal friends amongst the devices. Figure a figure b 1965 chevy ii wiring diagram:
If anyone has a pdf or a picture that would be great. Decoding chevrolet vin, trim tags, cowl tags, engine, engine block casting numbers, cylinder head casting numbers, intake manifold casting numbers, transmission, interior. Wiper motor test bench diagram team camaro tech i have a 71 chevelle runs even when switch is in off position also not sure its wired right at trying ac delco two extra wires delay wiring windshield 2 sd windsheild needed new port engineering 12 volt for chevy.
1971 i have a a factory service manual. After weeks of reviewing wiring diagrams and searching the internet and forums for information, i finally identified all of the various wiring harnesses connections for my chevelle project. The dash side is correct.
64 chevy c10 wiring diagram chevy truck wiring diagram. I need help with the wiring at the motor itself. Posted by tcbares on dec 29, 2010.
1970 chevelle wiper motor wiring diagram source: This is a copy of the original gm chevelle wiring diagram directly out of the factory assembly manual. Share your knowledge of this product with other customers.
By admin | november 8, 2017. Be the first to write a review.
1971 Chevelle Engine Wiring Diagram
71 Chevy Truck Wiper Wiring Diagram Wiring Diagram Networks

1971 Chevelle Wiper Wiring Diagram Wiring Diagram
[DIAGRAM] 1971 Nova Wiper Motor Wiring Diagram FULL Version HD Quality Wiring Diagram

1971 Chevelle Wiper Wiring Diagram Wiring Diagram

What do the terminals go to on a 1970 Chevy truck wiper motor
71 Chevy Truck Wiper Wiring Diagram Wiring Diagram Networks
1971 Chevelle Engine Wiring Diagram

[DIAGRAM] 1971 Nova Wiper Motor Wiring Diagram FULL Version HD Quality Wiring Diagram

[KL_5807] 1971 Chevelle Wiper Switch Wiring Diagram Schematic Wiring
1971 Chevelle Engine Wiring Diagram

1971 Chevelle Wiper Wiring Diagram Wiring Diagram

I have a 1971 Chevelle. Before I bought it the wiper motor and washer as well as blades and arms

1971 Chevelle Wiper Switch Wiring Diagram schematic and wiring diagram
1971 Chevelle Engine Wiring Diagram
1971 chevelle horn wiring diagram Wiring Diagram

1971 Chevelle Wiper Wiring Diagram Wiring Diagram
1971 chevelle horn wiring diagram Wiring Diagram
1970 Chevelle Wiper Motor Wiring Diagram Free Wiring Diagram
